Аналоги:

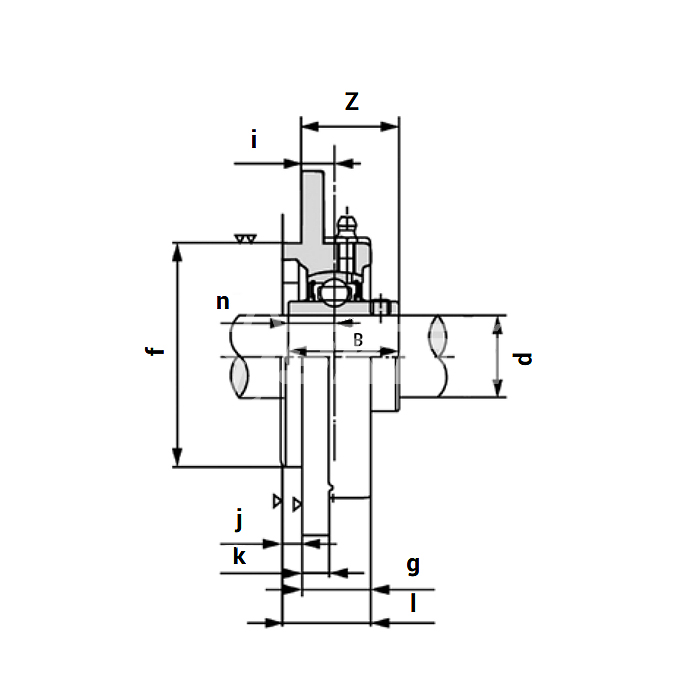
Подшипниковый узел UCFC203 ISKRA служит в качестве опоры для различных вращающихся деталей таких как валы или колеса в машинах и механизмах. Способен выдерживать повышенные радиальные нагрузки и помогает устранить возможный перекос элементов подшипникового узла, приводящий к скорому износу приводных деталей. Конструкция данного подшипникового узла - монолитная, что дает возможность применять его в цехах и производственных помещениях, отличающихся высоким уровнем запыленности. Относится к типу фланцевых подшипниковых узлов благодаря наличию кольца или «фланца», используемого с целью крепления узла к механизму.
Диаметр внутреннего отверстия - 17 мм.
Динамическая нагрузка (С )- 12160 H.
Статическая нагрузка (C0) - 6318 H.
Вес - 0,71 кг.