Аналоги:

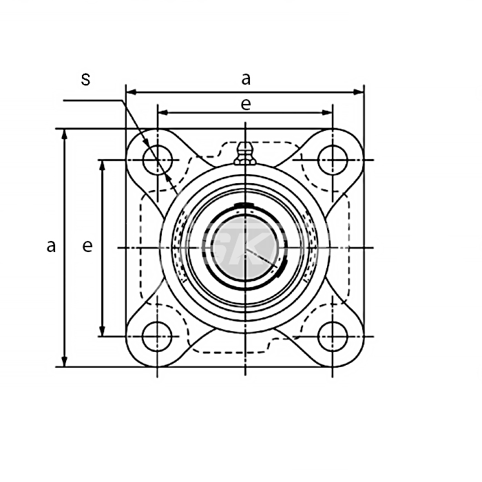
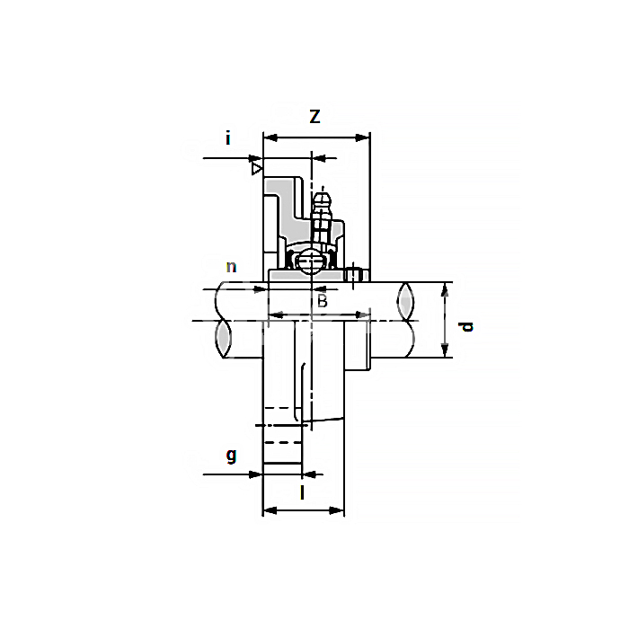
Подшипниковый узел UCF207 ISKRA служит в качестве опоры для различных вращающихся деталей таких как валы или колеса в машинах и механизмах. Способен выдерживать повышенные радиальные нагрузки и помогает устранить возможный перекос элементов подшипникового узла, приводящий к скорому износу приводных деталей. Конструкция данного подшипникового узла - монолитная, что дает возможность применять его в цехах и производственных помещениях, отличающихся высоким уровнем запыленности. Относится к типу фланцевых подшипниковых узлов благодаря наличию кольца или «фланца», используемого с целью крепления узла к механизму.
Диаметр внутреннего отверстия - 35 мм.
Динамическая нагрузка (С )- 24415 H.
Статическая нагрузка (C0) - 14630 H.
Вес - 1,2 кг.