
Подшипник SB203 ISKRA относится к типу корпусных подшипников и используется в сборе с корпусом. Применяется в нефтегазовой индустрии, в производстве пищевого и корабельного оборудования, а также в медицинских, фармацевтических и химических установках.
Максимальная динамическая нагрузка — до 9600 Н.
Статическая — до 4600 Н.
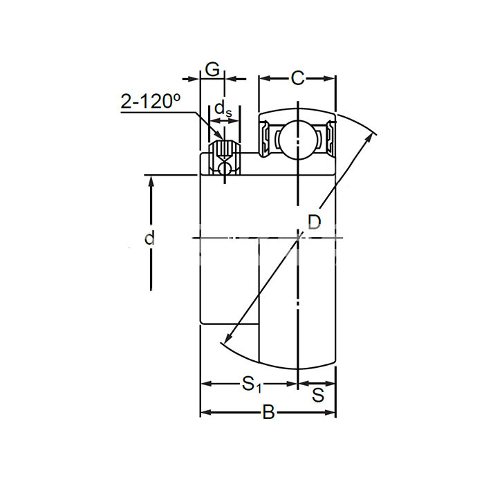
Внешний диаметр равен 40 мм.
Внутренний диаметр — 17 мм.
Вес — 0,08 кг.