Аналоги:

Подшипник GE70UK-2RS ISKRA обеспечивает беспрепятственное качение и
скольжение узловых элементов, которые участвуют
в рабочем процессе, а так же снижает трение между ними.
Получил широкое распространение в машиностроении и приборостроении.
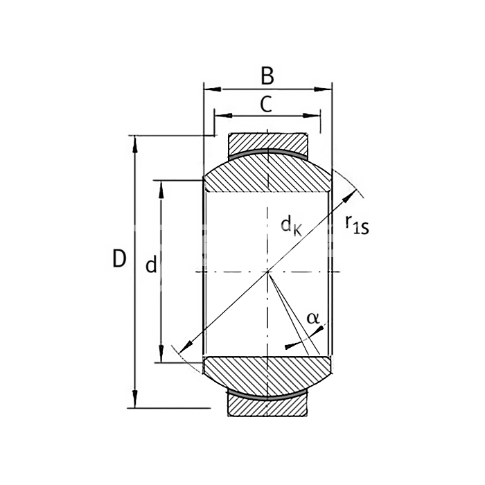
Внутренний диаметр - 70 мм.
Внешний диаметр - 105 мм.
Вес - 1,5 кг.