Аналоги:

ОПУ фланцевая серия ZBL.20.1094.200-1SPTN ISKRA является опорно-поворотным устройством с внутренним зацеплением. Предоставляет большую грузоподъемность механизмам.
Используется как составляющая деталь кранов, ветродвигателей, экскаваторов, илоскрёбов, кантователей и т.д.
Выполнен из стали марки 45.
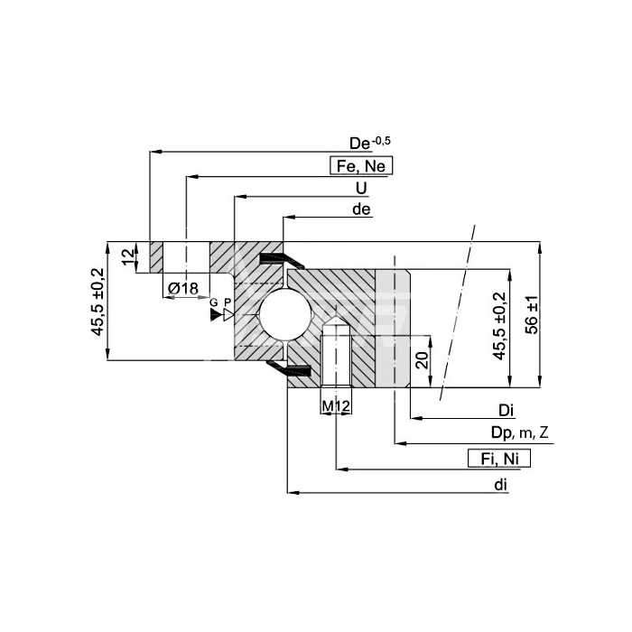
Наружный диаметр составляет 1198 мм. Внутренний диаметр — 984 мм.Имеется 16 отверстий внутреннего кольца и 24 отверстий внешнего кольца, а также 125 зубьев 6 модуля.
Вес составляет 83 кг.