Аналоги:

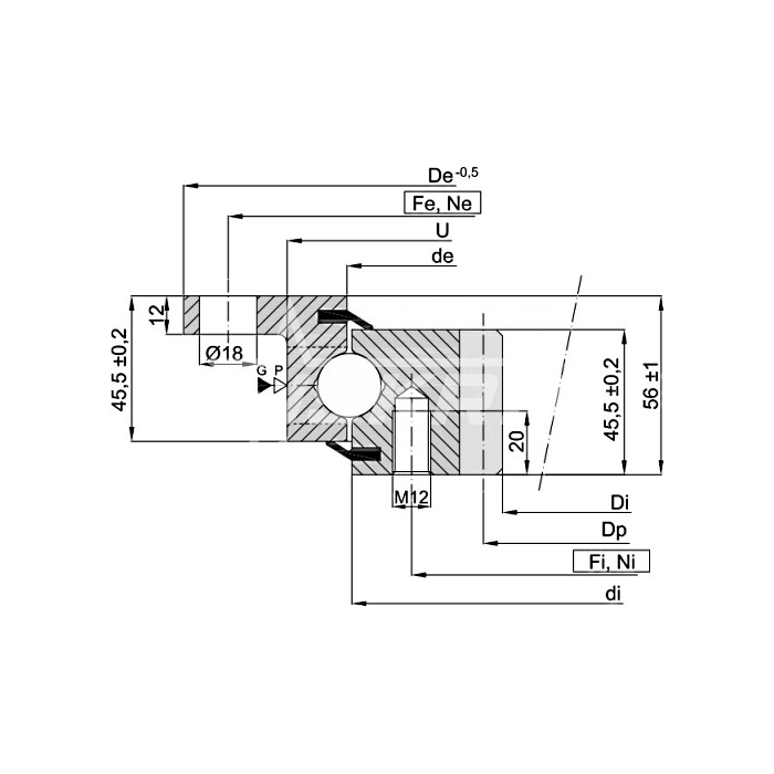
ОПУ фланцевая серия ZBL.20.0314.200-1SPTN ISKRA является опорно-поворотным устройством с внутренним зубчатым зацеплением. Предоставляет большую грузоподъемность механизмам.
Используется как составляющая деталь кранов, ветродвигателей, экскаваторов, илоскрёбов, кантователей и т.д.
Выполнено из стали марки 45.
Наружный диаметр составляет 418 мм. Внутренний диаметр — 225 мм. Имеет 12 отверстий внутреннего кольца и 8 отверстий внешнего кольца, а также 47 зубьев 5 модуля.
Вес равен 21 кг.