Аналоги:

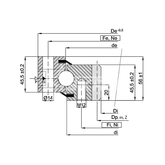
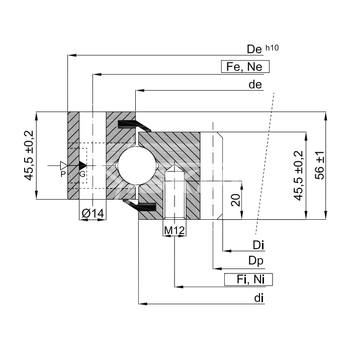
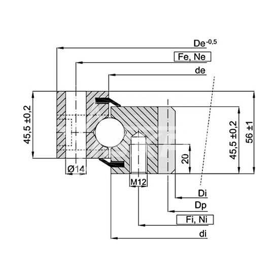
ОПУ фланцевая серия ZB1.20.0544.200-1SPTN ISKRA является опорно-поворотным устройством с внутренним зубчатым зацеплением. Предоставляет большую грузоподъемность механизмам.
Используется как составляющая деталь кранов, ветродвигателей, экскаваторов, илоскрёбов, кантователей и т.д.
Выполнено из стали марки 45.
Наружный диаметр составляет 648 мм. Внутренний диаметр — 444 мм. Имеет 10 отверстий внутреннего кольца и 16 отверстий внешнего кольца, а также 76 зубьев 6 модуля.
Вес равен 43 кг.