Аналоги:

ОПУ фланцевая серия NBL.30.1455.200-1PPN ISKRAявляется опорно-поворотным устройством без зацепления. Предоставляет большую грузоподъемность механизмам.
Используется как составляющая деталь кранов, ветродвигателей, экскаваторов, илоскрёбов, кантователей и т.д.
Выполнено из стали марки 45.
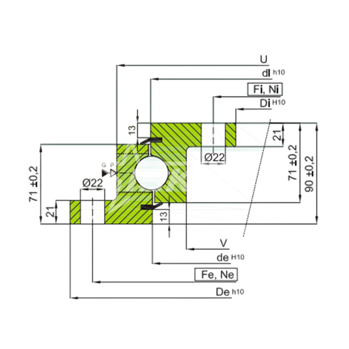
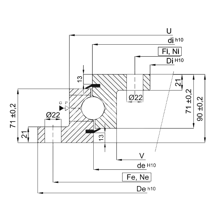
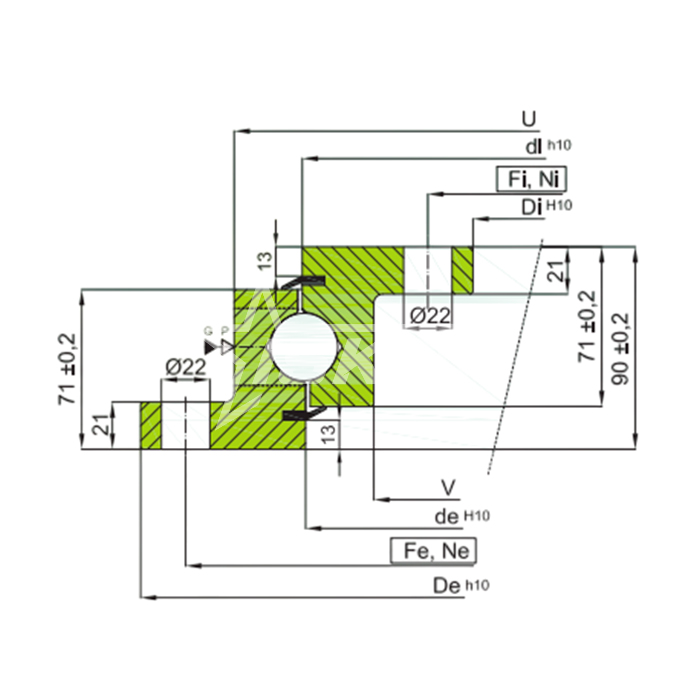
Наружный диаметр составляет 1600 мм. Внутренний диаметр — 1305 мм. Имеет 48 отверстий внутреннего кольца и 48 отверстий внешнего кольца.
Вес равен 200 кг.