Аналоги:

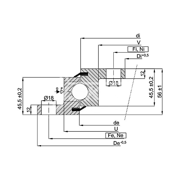
ОПУ фланцевая серия NBL.20.0644.200-1PPN ISKRA является опорно-поворотным устройством без зацепления. Предоставляет большую грузоподъемность механизмам.
Используется как составляющая деталь кранов, ветродвигателей, экскаваторов, илоскрёбов, кантователей и т.д.
Выполнено из стали марки 45.
Наружный диаметр составляет 748 мм. Внутренний диаметр — 534 мм. Имеет 16 отверстий внутреннего кольца и 12 отверстий внешнего кольца.
Вес равен 40 кг.