Аналоги:

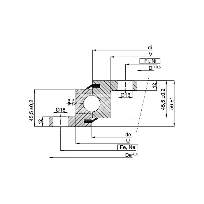
ОПУ фланцевая серия NBL.20.0314.200-1PPN ISKRA является опорно-поворотным устройством без зацепления. Предоставляет большую грузоподъемность механизмам.
Используется как составляющая деталь кранов, ветродвигателей, экскаваторов, илоскрёбов, кантователей и т.д.
Выполнено из стали марки 45.
Наружный диаметр составляет 418 мм. Внутренний диаметр — 204 мм. Имеет 12 отверстий внутреннего кольца и 8 отверстий внешнего кольца.
Вес равен 19 кг.