Аналоги:

ОПУ фланцевая серия EBL.30.1455.200-1STPN ISKRAявляется опорно-поворотным устройством фланцевой серии с наружным зацеплением. Предоставляет большую грузоподъемность механизмам.
Используется как составляющая деталь кранов, ветродвигателей, экскаваторов, илоскрёбов, кантователей и т.д.
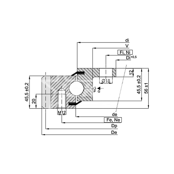
Выполнено из стали марки 45.
Наружный диаметр составляет 1598 мм. Внутренний диаметр — 1305 мм. Имеет 48 отверстий внутреннего и внешнего кольца, а также 158 зубьев 10 модуля.
Вес равен 250 кг.