Аналоги:

ОПУ фланцевая серия EBL.30.1055.200-1STPN ISKRA является опорно-поворотным устройством фланцевой серии с наружным зацеплением. Предоставляет большую грузоподъемность механизмам.
Используется как составляющая деталь кранов, ветродвигателей, экскаваторов, илоскрёбов, кантователей и т.д.
Выполнено из стали марки 45.
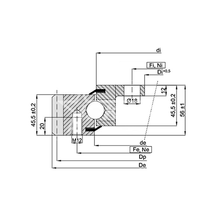
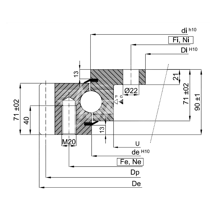
Наружный диаметр составляет 1198 мм. Внутренний диаметр — 905 мм. Имеет 30 отверстий внутреннего и внешнего кольца, а также 118 зубьев 6 модуля.
Вес равен 183 кг.