Аналоги:

ОПУ фланцевая серия EBL.20.0944.200-1STPN ISKRA является опорно-поворотным устройством фланцевой серии с наружным зацеплением. Предоставляет большую грузоподъемность механизмам.
Используется как составляющая деталь кранов, ветродвигателей, экскаваторов, илоскрёбов, кантователей и т.д.
Выполнено из стали марки 45.
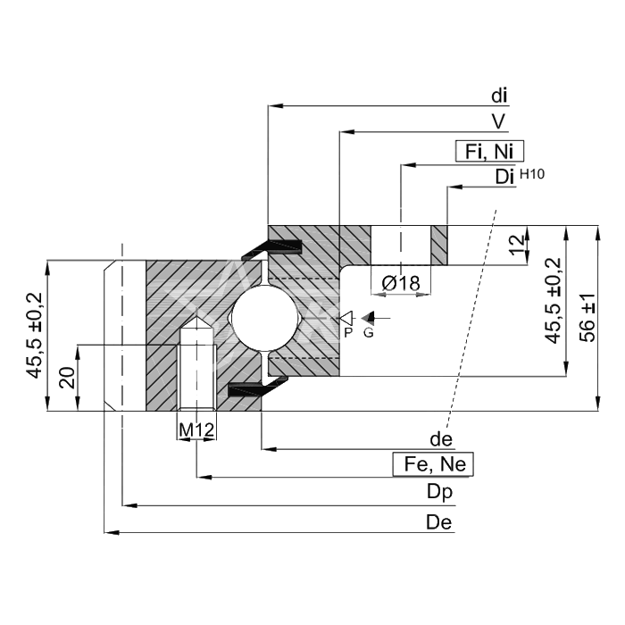
Наружный диаметр составляет 1046,4 мм. Внутренний диаметр — 834 мм. Имеет 20 отверстий внутреннего и внешнего кольца, а также 129 зубьев 8 модуля.
Вес равен 75 кг.