Аналоги:

ОПУ фланцевая серия EBL.20.0844.200-1STPN ISKRA является опорно-поворотным устройством фланцевой серии с наружным зацеплением. Предоставляет большую грузоподъемность механизмам.
Используется как составляющая деталь кранов, ветродвигателей, экскаваторов, илоскрёбов, кантователей и т.д.
Выполнено из стали марки 45.
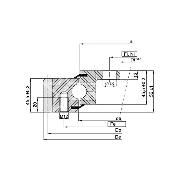
Наружный диаметр составляет 950,4 мм. Внутренний диаметр — 734 мм. Имеет 18 отверстий внутреннего и внешнего кольца, а также 117 зубьев 8 модуля.
Вес равен 68 кг.