Аналоги:

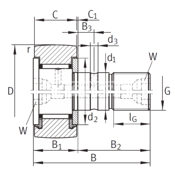
Опорный ролик KRV62PP ISKRA полностью заполняется игольчатыми роликами, допускает более высокие нагрузки и более низкие скорости вращения, чем ролики серии KR. Используется для всех типов роликовых приводов, треков и конвейерных систем. Снабжен уплотнительными кольцами. Данному типу опорных роликов необходимо частое смазывание. Есть возможность консистентной смазки.
Диаметр цапфы составляет 24 мм, внешний диаметр —62 мм, установочный винт М24x1,5.
Температура применения от -30° до +80° C.