с 01.05.2026 по 01.06.2026
Скидка 10%
с 01.05.2026 по 29.05.2026
10-й метр
Опорные ролики
123
Подшипники нержавеющие
112
Разъемные корпуса подшипников и комплектующие к ним
305
Шарнирные наконечники
241
Втулки скольжения
448
Высокотемпературные подшипники
151
Игольчатые подшипники
143
Подшипники скольжения
111
Подшипниковые узлы
214
Роликовые подшипники
105
Шариковые опоры
102
Шариковые подшипники
251
Валы линейного перемещения
119
Линейные подшипники
97
Шарико-винтовая передача (ШВП)
65
Рельсовые направляющие и каретки
215
Трапецеидальные гайки и винты
116
Обгонные муфты серии ASNU
15
Обгонные муфты серии AV
15
Обгонные муфты серии CB-200
5
Обгонные муфты серии GF
18
Обгонные муфты серии GL
18
Обгонные муфты серии GP
21
Обгонные муфты серии HF
11
Обгонные муфты серии HFL
9
Обгонные муфты серии RSBW
12
Обгонные муфты серий UK UKC UKCC
36
Обгонные муфты серии US
14
Обгонные муфты AA
10
Обгонные муфты AE
3
Обгонные муфты DC
5
Обгонные муфты GFK
1
Обгонные муфты RSXM
1
Обгонные муфты серии GLG
1
Фланцы для обгонных муфт
111
ОПУ фланцевые
27
Опорно-поворотные устройства однорядные
34
ОПУ с червячным приводом
9
ОПУ прецизионной серии с перекрестными роликами
25
ОПУ прецизионной серии для поворотных кругов (столов)
11
ОПУ с перекрестными роликами
6
Опорно-поворотные устройства двухрядные
4
Опорно-поворотные устройства для экскаваторов
207

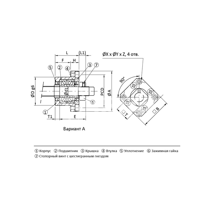
Опора ШВП FK25 ISKRA является конструкцией, внутри которой установлена пара радиальных подшипников. Применяется для фиксации винта ШВП. Стальной корпус создан с соблюдением высокой точности параметров.
Диаметр вала 25 мм.
Расстояние между центрами креплений 80 мм.
Диаметр без фланца равен 63 мм.
Населенный пункт *
Выберите свой город в списке. Если вы не нашли свой город, выберите "другое местоположение", а город впишите в поле "Город"
Аналоги:
Опора ШВП FK25 ISKRA является конструкцией, внутри которой установлена пара радиальных подшипников. Применяется для фиксации винта ШВП. Стальной корпус создан с соблюдением высокой точности параметров.
Диаметр вала 25 мм.
Расстояние между центрами креплений 80 мм.
Диаметр без фланца равен 63 мм.