Аналоги:

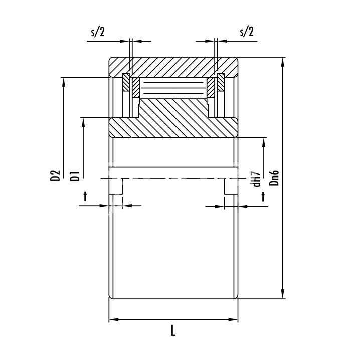
Обгонная муфта UF35 (NF35) ISKRA используется для соединения ведущего и ведомого вала, а также для регулирования передачи крутящего момента.
Наружный диаметр равен 100 мм, внутренний - 35 мм.
Вес муфты - 2,3 кг.
Крутящий момент равен 680 Н*м.