
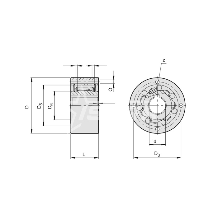
Обгонная муфта AE30 ISKRA — элемент механической трансмиссии, который применяется для того, чтобы вращающийся момент не передавался к ведущему валу от ведомого.
Наружный диаметр составляет 90 мм, внутренний — 30 мм.
Скорость вращения наружного кольца — 2100 об/мин, внутреннего кольца — 1500 об/мин.
Вес муфты — 1,50 кг.