Нержавеющий подшипник 6212-SS-2RS ISKRA

0 отзывов
0 вопросов
1 человек добавили этот товар в корзину
Этот товар сейчас просматривают 1 человек
Копировать
Артикул: 6212SS2RS-ISKRA
1 человек добавили этот товар в корзину
Этот товар сейчас просматривают 1 человек

Общие характеристики

Зазор
CN (нормальный зазор)
Материал
нержавеющая сталь (AISI 420)
Размер
60x110x22
Рядность
однорядный
Тип
радиальный
Уплотнение
закрытый
Вес, кг
0,78
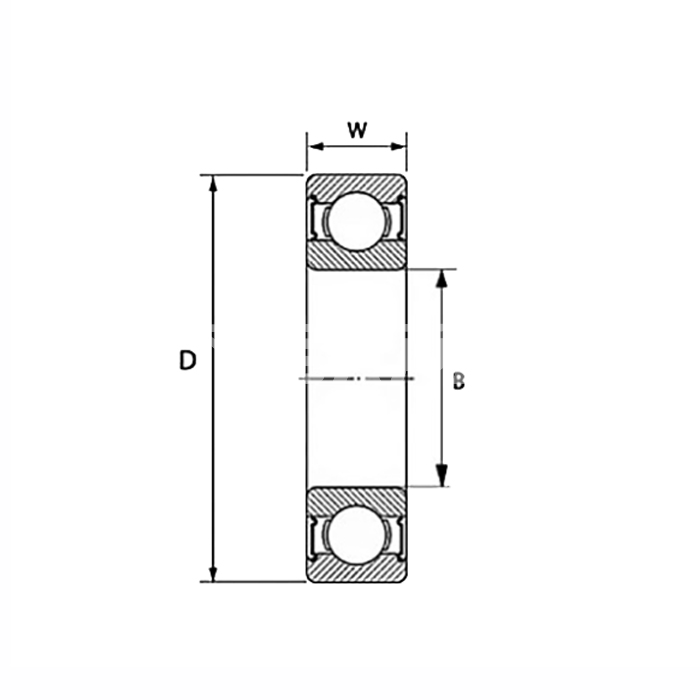
Наружный диаметр D, мм
110
Внутренний диаметр B, мм
60
Артикул: 6212SS2RS-ISKRA
Характеристики
Описание
Доставка
Вопросы (0)
Отзывы (0)
Рекомендованные товары
Характеристики
Зазор
CN (нормальный зазор)
Материал
нержавеющая сталь (AISI 420)
Размер
60x110x22
Рядность
однорядный
Тип
радиальный
Уплотнение
закрытый
Вес, кг
0,78
Наружный диаметр D, мм
110
Внутренний диаметр B, мм
60
Диапазон температур
от -20°C до +100°C
Динамическая нагрузка C, kН
51,45
Защитные шайбы
2RS (двустороннее резиновое уплотнение)
Класс точности
P0
Наружный диаметр D, мм
110
Предельная скорость, об/мин
5040
Скорость, об/мин
3840
Статическая нагрузка C0, kН
35,28
Статическая нагрузка при предельной температуре, kН
28,8
Статическая нагрузка при температуре +20°С, kН
28,8
Тип отверстия
цилиндрическое
Ширина W, мм
22
Размер, мм
60x110x22
Внутренний диаметр d, мм
60
Диапазон температур, °C
от -20°C до +100°C
Эффективный диапазон температур, °С
от -20°C до +100°C
Описание
Нержавеющий подшипник (магнитный) 6212 BSS 2RS ISKRA является шариковым радиальным однорядным подшипником. Применяется в подвесных конвейерах для предприятий пищевой промышленности, в строительной промышленности, в производстве медицинских, фармацевтических и химических установок.
Произведен из нержавеющей стали AISI 420 с двусторонним уплотнением из вулканизированной резины и выдерживает условия умеренно агрессивной среды. Рабочая скорость вращения составляет 3840 оборотов в минуту.
Внешний диаметр составляет 110 мм, внутренний диаметр равен 60 мм.
Класс точности – P0.
Ширина – 22 мм.
Доставка

Населенный пункт *

Выберите свой город в списке. Если вы не нашли свой город, выберите "другое местоположение", а город впишите в поле "Город"

Вопросы (0)
Отзывы (0)
Загрузка комментариев...
Артикул: 6212SS2RS-ISKRA
1 человек добавили этот товар в корзину
Этот товар сейчас просматривают 1 человек
Распродажа
Наличие:
Много
3718 ₽
3718 ₽ Цена за 1 шт
Скрыть применённые скидки
Скидка по акции
-656 ₽
Распродаджа
Наличие:
Много
от 1 до 5 шт
3718 ₽ 4374 ₽
от 6 до 10 шт
3532 ₽ 4155 ₽
от 11 до 20 шт
3346 ₽ 3936 ₽
от 21 шт
3159 ₽ 3717 ₽
3718 ₽
Бесплатная доставка при оформлении заказа на сумму от 50 000 ₽
Доставка
Самовывоз
Гарантия производителя 1 год

Общие характеристики

Зазор
CN (нормальный зазор)
Материал
нержавеющая сталь (AISI 420)
Размер
60x110x22
Рядность
однорядный
Тип
радиальный
Уплотнение
закрытый
Вес, кг
0,78
Наружный диаметр D, мм
110
Внутренний диаметр B, мм
60
Габариты упаковки
Единица товара: шт

Аналоги:

W 624-2RS1
SKF
624BSS2RSBECO
BECO
SS6242RSISBIND
ISB
Характеристики
Описание
Доставка
Вопросы (0)
Отзывы (0)
Рекомендованные товары
Характеристики
Зазор
CN (нормальный зазор)
Материал
нержавеющая сталь (AISI 420)
Размер
60x110x22
Рядность
однорядный
Тип
радиальный
Уплотнение
закрытый
Вес, кг
0,78
Наружный диаметр D, мм
110
Внутренний диаметр B, мм
60
Диапазон температур
от -20°C до +100°C
Динамическая нагрузка C, kН
51,45
Защитные шайбы
2RS (двустороннее резиновое уплотнение)
Класс точности
P0
Наружный диаметр D, мм
110
Предельная скорость, об/мин
5040
Скорость, об/мин
3840
Статическая нагрузка C0, kН
35,28
Статическая нагрузка при предельной температуре, kН
28,8
Статическая нагрузка при температуре +20°С, kН
28,8
Тип отверстия
цилиндрическое
Ширина W, мм
22
Размер, мм
60x110x22
Внутренний диаметр d, мм
60
Диапазон температур, °C
от -20°C до +100°C
Эффективный диапазон температур, °С
от -20°C до +100°C
Описание
Нержавеющий подшипник (магнитный) 6212 BSS 2RS ISKRA является шариковым радиальным однорядным подшипником. Применяется в подвесных конвейерах для предприятий пищевой промышленности, в строительной промышленности, в производстве медицинских, фармацевтических и химических установок.
Произведен из нержавеющей стали AISI 420 с двусторонним уплотнением из вулканизированной резины и выдерживает условия умеренно агрессивной среды. Рабочая скорость вращения составляет 3840 оборотов в минуту.
Внешний диаметр составляет 110 мм, внутренний диаметр равен 60 мм.
Класс точности – P0.
Ширина – 22 мм.
Доставка
Вопросы (0)