Аналоги:

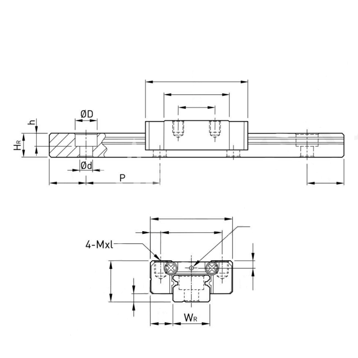
Направляющая MGNR15 ISKRA – часть системы линейного перемещения, обеспечивающая точный ход деталей по необходимой траектории. Элемент способен выдерживать высокие рабочие нагрузки в течение длительного времени.
Материал направляющей – сталь.
Ширина – 15 мм.
Размер резьбы – M3x10.