Аналоги:

Направляющая для цепи 08B-1 тип 1BL H=30 ISKRA применяется для снижения уровня шума и трения и при движении цепи предотвращая её быстрый износ. Благодаря направляющим продлевается срок службы механизма цепной передачи.
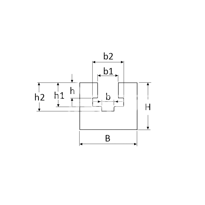
Ширина 24 мм. Высота - 30 мм.
Тип цепи 08B-1.