Аналоги:

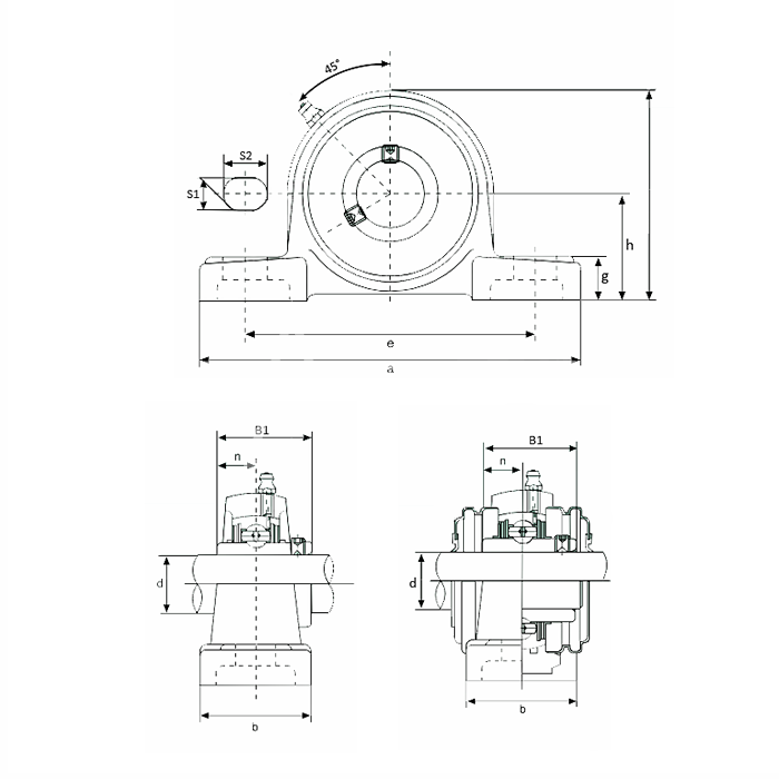
Корпус подшипника P205PL (бел. пласт) ISKRA – это составной элемент подшипникового узла. Компонент используется для исключения перекосов подшипников и выдержки радиальных нагрузок. Применяется в пищевых производствах, в условиях повышенной влажности и в местах, где требуется облегчение конструкции.
Диаметр – 25 мм.
Материал корпуса – пластик.
Крепежный винт – M10.