Аналоги:

Каретка MGN15HZ0H ISKRA – одна из важных частей систем линейного перемещения. Применяется в металлообработке и деревообработке, а также как элемент в системах для резки в полиграфии и медицинском оборудовании.
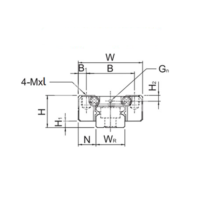
Динамическая нагрузка – 6,5 кН.
Статическая нагрузка – 9,3 кН.
Длина каретки – 58,8 мм.
Резьба – M3x4.