Аналоги:

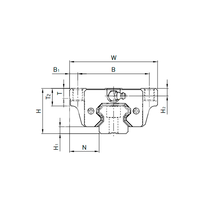
Каретка HGW15CCZAH ISKRA – одна из важных частей систем линейного перемещения. Применяется в металлообработке и деревообработке, а также как элемент в системах для резки в полиграфии и медицинском оборудовании.
Динамическая нагрузка – 11,38 кН.
Статическая нагрузка – 16,97 кН.
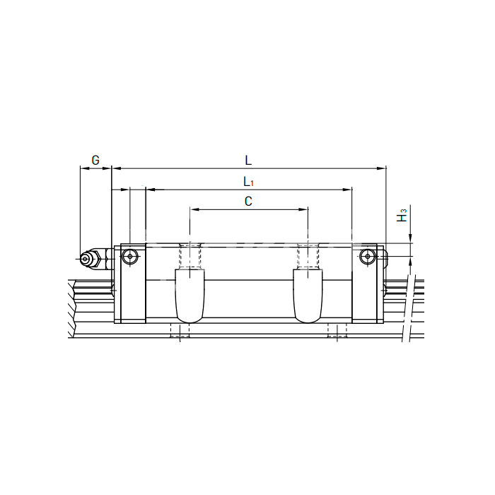
Длина каретки – 61,4 мм.