Аналоги:

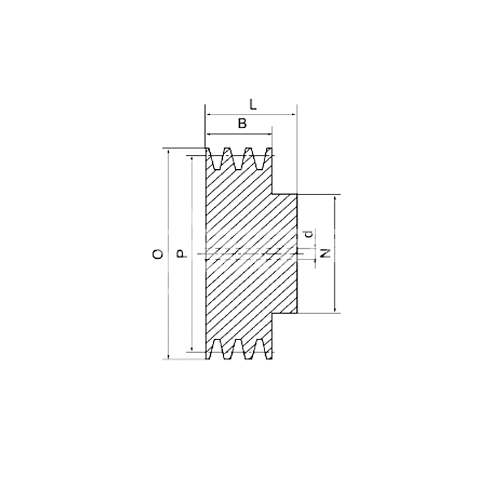
Шкив под расточку клиновой SPB 125-1 (PHP 1SPB125RSB) ISKRA служит для передачи движения от ведущего шкива к ведомому при помощи ремня.
Представляет собой приводное колесо с двумя канавками и предназначен для клинового типа ремня.
Используется в машинах и механизмах с ременным приводом, а также в транспортных системах (конвейеры и транспортные ленты).
Производится из фосфатированного чугуна GG25.
Тип шкива - SPB 125-1.
Профиль ремня - SPA/1.
Количество ручьев - 1.
Вес - 2,3 кг.