Аналоги:

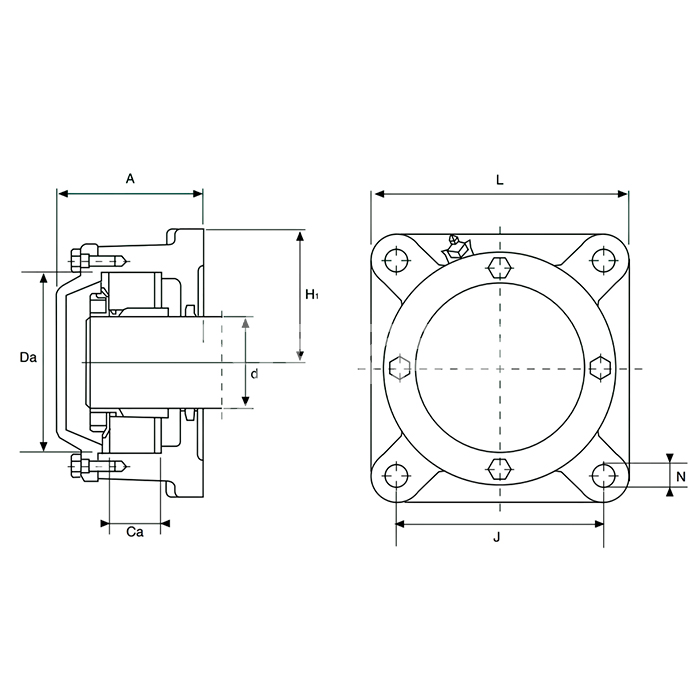
Разъемный фланцевый корпус 722518B (FNL518B) ISKRA - это подшипниковая деталь с повышенной стойкостью и прочностью, а так же способностью к самоустановке и сменными внутренними компонентами.
Может применяться вместе с шариковыми подшипниками 1218 K и 2218 K и сферически роликоподшипниками 22218 K
Выполнен из литого чугуна.
Диаметр внутреннего отверстия равен 80 мм.
Вес корпуса составляет 12,5 кг.