Аналоги:

Подшипник 51103 ISKRA — шариковый однорядный радиальный подшипник с цилиндрическим отверстием. Произведен из высококачественной стали.
Сферы применения подшипника: медицинская, пищевая, автомобильная, химическая, авиационная промышленность и т.д. Используется для работы на высоких скоростях.
Предельная скорость (консистентная смазка) — 9180 об/мин.
Предельная скорость (жидкое масло) — 10800 об/мин.
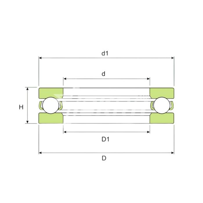
Внутренний диаметр – 17 мм.
Наружный диаметр — 30 мм.
Ширина — 9 мм.