Аналоги:

ОПУ фланцевая серия EBL.20.0744.200-1STPN ISKRA является опорно-поворотным устройством фланцевой серии с наружным зацеплением. Предоставляет большую грузоподъемность механизмам.
Используется как составляющая деталь кранов, ветродвигателей, экскаваторов, илоскрёбов, кантователей и т.д.
Выполнено из стали марки 45.
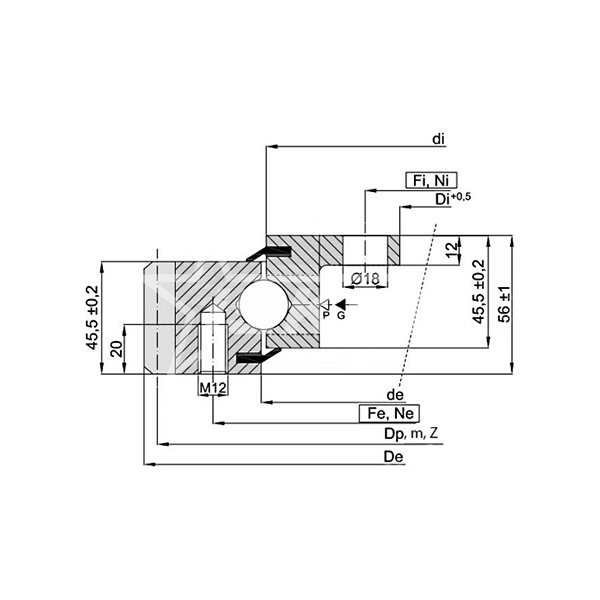
Наружный диаметр составляет 838,8 мм. Внутренний диаметр — 634 мм. Имеет 16 отверстий внутреннего кольца и 18 отверстий внешнего кольца, а также 138 зубьев 6 модуля.
Вес равен 56 кг.