Аналоги:

Каретка MGW12HZ0H ISKRA – одна из важных частей систем линейного перемещения. Применяется в металлообработке и деревообработке, а также как элемент в системах для резки в полиграфии и медицинском оборудовании.
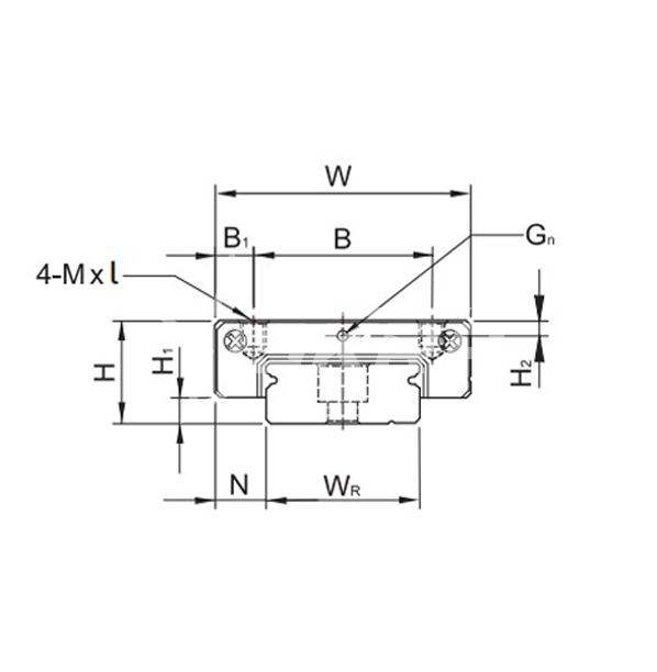
Динамическая нагрузка – 5,2 кН.
Статическая нагрузка – 8,4 кН.
Длина каретки – 60,4 мм.
Резьба – M3x3,6.