Аналоги:

Каретка HGL45CAZAH ISKRA – одна из важных частей систем линейного перемещения. Применяется в металлообработке и деревообработке, а также как элемент в системах для резки в полиграфии и медицинском оборудовании.
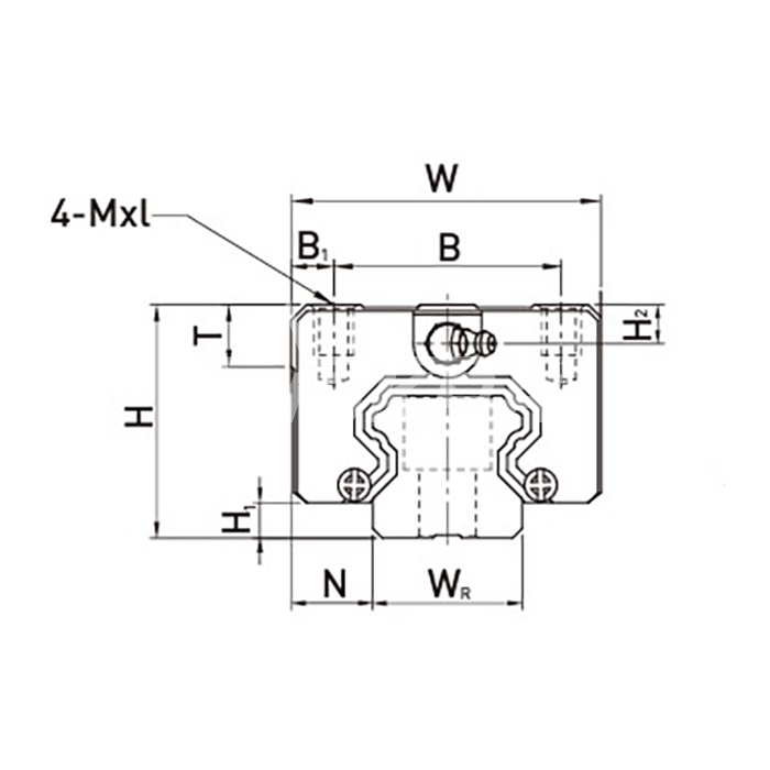
Динамическая нагрузка – 77,57 кН.
Статическая нагрузка – 102,71 кН.
Длина каретки – 139,4 мм.
Резьба – M10x17.