Аналоги:


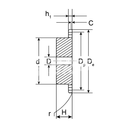
Звездочка со ступицей под расточку для цепи 08B-1, z=15, 1/2"x5/16" PS09015 ISKRA PRO применяется в системах цепных передач в промышленных станках, на производствах и в спецтехнике. Конструкция звездочки включает в себя ступицу, обеспечивающую более надежную посадку на вал.
Материал - сталь С45Е
Количество зубьев - 15.
Ширина зуба - 7,2 мм.
Внешний диаметр - 65,5 мм.
Шаг цепи - 12,7 мм.