Аналоги:

Звездочка под втулку тапербуш для цепи: 10B-1, Z=16, 5/8" x 3/8" TS10016 (PHS 10B-1 TB 16) ISKRA предназначена для применения в системах цепных передач на различных производствах, в промышленных станках и спецтехнике.
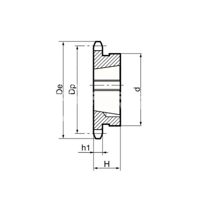
Изготавливается из стали С45Е и содержит в своей конструкции отверстие под втулку тапербуш, которая обеспечивает наиболее эффективную и надежную посадку на валах.
Подходит под втулку тапербуш 1610.
Количество зубьев - 16.
Ширина зуба - 9,1 мм.
Внешний диаметр - 88 мм.
Шаг цепи - 15,875 мм.
Вес - 0,3 кг.