Аналоги:

Зубчатая шестерня под расточку со ступицей и калеными зубьями, М=3, Z=30 PM30T30 ISKRA применяется для передачи крутящего момента и оборотов от ведущего вала к ведомому, а также в реечных передачах для модификации вращательного движения в поступательное. Выполнена из закаленной стали UNI EN 10083-1. Обладает увеличенным ресурсом и отличается высокой износостойкостью. Закалена током высокой частоты, что позволяет выдерживать резкие нагрузки.
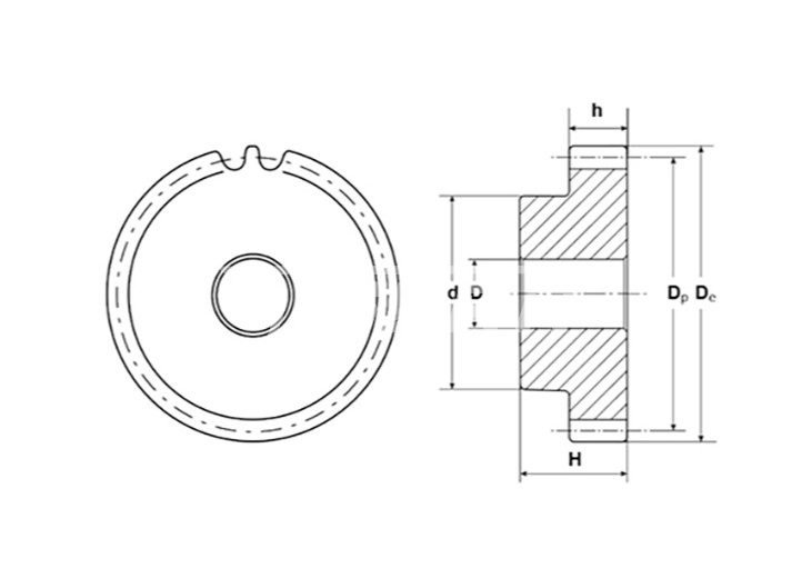
Ступица служит для посадки на вал или другую часть трансмиссии, а черновое отверстие под расточку под требуемый диаметр отверстия.
Диаметр внутреннего отверстия равен 60 мм.
Ширина зубчатого венца для модуля – 30 мм.
Количество зубьев – 30 шт.