Аналоги:

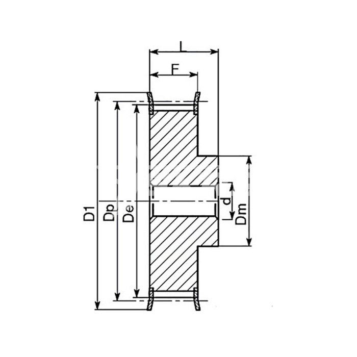
Шкив зубчатый под расточку 24-5M-25 (PHP 24-5M-25RSB) ISKRA служит для передачи движения между валами при помощи ремня, а также ведущего и ведомого шкивов.
Производится из стали C45 E.
Подходит под профиль ремня M5, шириной 25 мм.
Расчетный диаметр шкива - 37,06 мм.
Диаметр с ребордами - 42 мм.
Количество зубьев - 24.
Вес - 0,25 кг.