Аналоги:

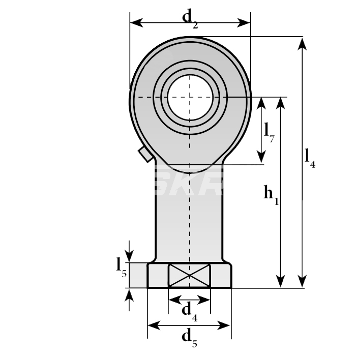
Шарнирный наконечник TSFL16X1.5 ISKRA разработан для восприятия высоких механических нагрузок в процессе вращения, опрокидывания либо качения. Применяется в пневматических цилиндрах, станках для печати, упаковочных машинках, кривошипно-шатунных механизмах и т.д. Изготовлен из стали с парой трения сталь/бронза.
Размер резьбы - M16x1,5.
Вес - 0,2 кг.