Аналоги:

Коническая зубчатая пара, передат. число: 1:1, M=2,5, Z1=20, Z2=20 C29A201 ISKRA – это деталь промышленной трансмиссии с тщательно продуманной геометрией. Строение детали и надежная обработка поверхности обеспечивают простое использование, равномерный ход и практически бесшумную деятельность.
Данная деталь применяется в качестве зубчатой передачи в трансмиссиях механизированного оборудования, техники и в различных транспортных средств.
Выполнена по строгими стандартам из стали С45, что гарантирует надежность и стойкость к изнашиванию при различной частоте нагрузок.
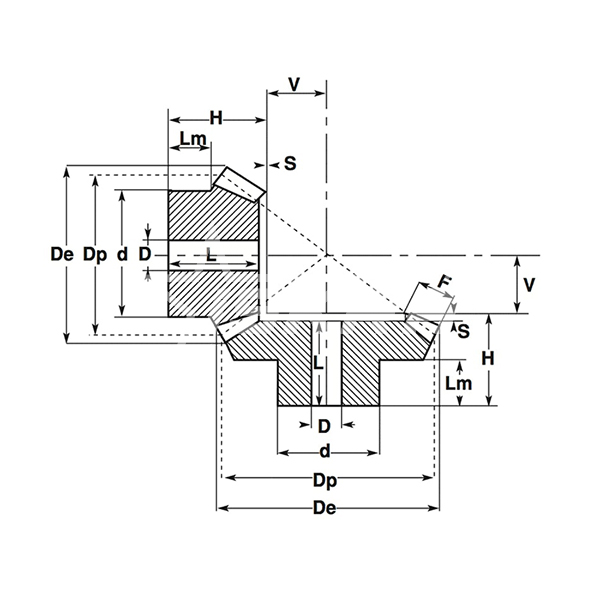
Модуль – 2,5. Передаточное число – 1:1. Количество зубьев – 20.
Диаметр делительной окружности составляет 50 мм. Наружный диаметр звездочки – 53,5 мм.
Диаметр ступицы равен 40 мм. Диаметр отверстия составляет 12 мм.