Аналоги:

ОПУ стандартная серия с одним рядом шариков NB1.20.0744.200-1PPN ISKRA является опорно-поворотным устройством без зацепления. Предоставляет большую грузоподъемность механизмам.
Используется как составляющая деталь кранов, ветродвигателей, экскаваторов, илоскрёбов, кантователей и т.д.
Выполнен из стали марки 45.
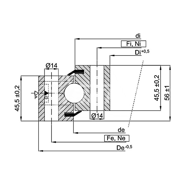
Наружный диаметр составляет 816 мм. Внутренний диаметр — 672 мм.Имеется 40 отверстий внутреннего и внешнего кольца.
Вес составляет 52 кг.