Аналоги:

Звездочка со ступицей под расточку для цепи 06B-2, z=17, 3/8" x 7/32" PD05017 (PHS 06B-2B17) ISKRA предназначена для применения в системах цепных передач на различных производствах, в промышленных станках и спецтехнике.
Изготавливается из стали С45Е. В конструкции звездочки содержится ступица, которая обеспечивает более надежную посадку на вал.
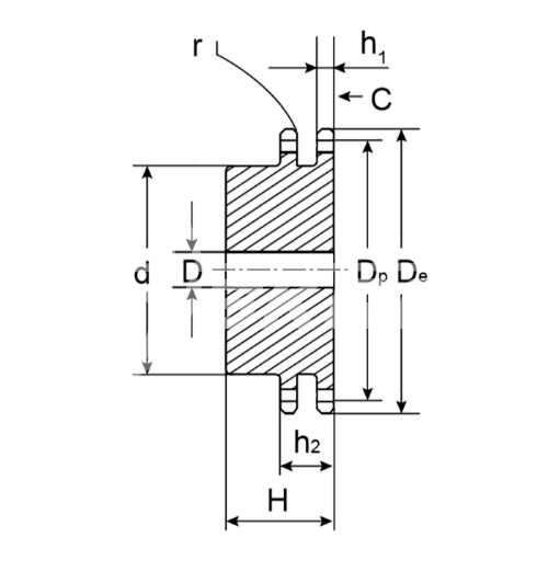
Количество зубьев - 17.
Ширина зуба - 5,3 мм.
Внешний диаметр - 55,3 мм.
Шаг цепи - 9,525 мм.